跳到内容
首页
主营产品
关于我们
客户案例
首页
主营产品
关于我们
客户案例
公司动态
联系我们
English
公司动态
联系我们
English
首页
主营产品
关于我们
客户案例
公司动态
联系我们
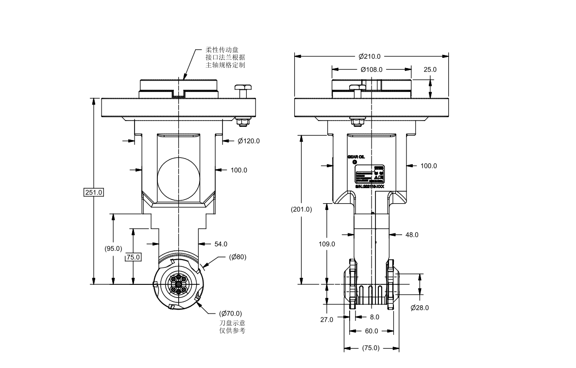
FC50-TFMB28-75
首页
/
非标客制化系列
/ FC50-TFMB28-75
描述
描述
联系我们
产品名称:
* 联系人:
* 电话:
QQ:
电子邮箱:
地址:
* 留言内容:
提交